SUBITOP气动执行器测试仪主要功能为控制气动执行器动作,记录执行器运行时长、运行次数、及开关时间。 气动执行器测试仪操作简单方便,只需接入电源、气源,并用气管与执行器连接即可进行试验。可记录、显示累计运行时间、运行开关次数,最大开关时间、最小开关时间等,开关时间显示精度为0.01秒,并可进行系统设置、记录清零设置等。
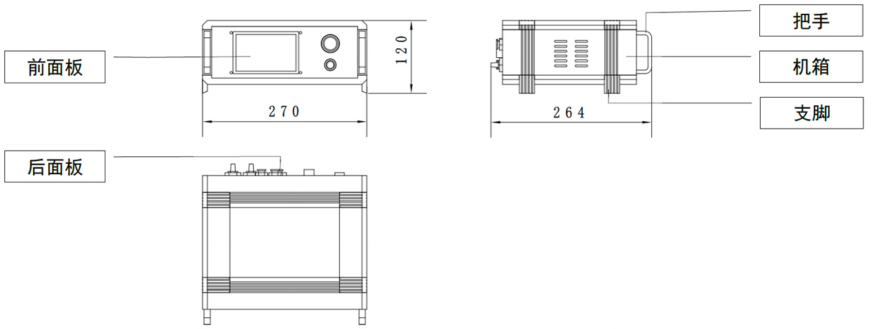
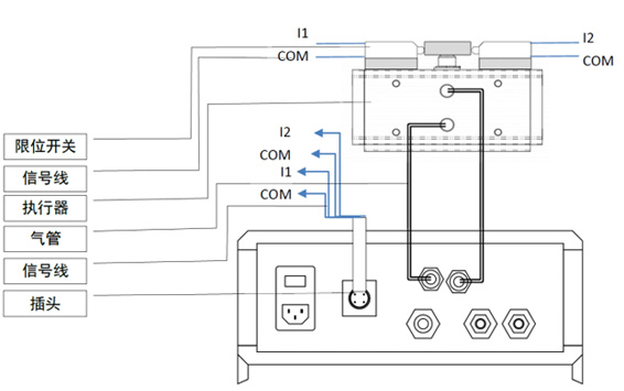
SUBITOP为您提供的气动执行器试验工具,由机箱、前操作面板、后接线面板等组成。 气动执行器试验工具有两路试验接口,一路是气路直接接执行器进行试验,一路是接执行器动作开关信号进行试验。

把本产品安放于良好通风位置并平坦表面上。 将电源线插入接口,并接通电源。
气动测试时,将气源接入气源接口。
用信号测试时,将插头插入信号接口。
测试及信号测试连接图
点击画面,进入使用页面。如下图。 使用页面由菜单、显示内容、按钮等组成。 菜单用于选择功能页面,显示内容由当前日期、时间,测试时间、测试次数等。 按钮于用控制当前页面功能的启动和暂停。
点击信号测试菜单,进入信号测试使用页面。如图。 使用页面由菜单、显示内容、按钮等组成。 菜单用于选择功能页面,显示内容由当前日期、时间,测试时间、测试次数等。 按钮于用控制当前页面功能的启动和暂停。